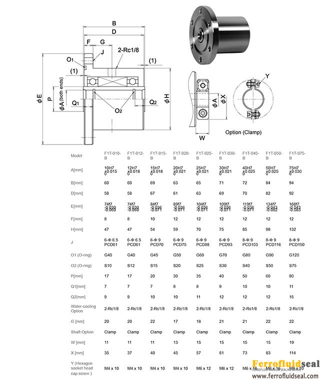
Rigaku Standard F1T-B Series Ferrofluid Vacuum Rotary Feedthrough
F1T-010-B : 10mm shaft
F1T-012-B : 12mm shaft
F1T-015-B : 15mm shaft
F1T-020-B : 20mm shaft
F1T-025-B : 25mm shaft
F1T-030-B : 30mm shaft
F1T-040-B : 40mm shaft
F1T-050-B : 50mm shaft
F1T-075-B : 75mm shaft

